D880
D880
CJ
FAIRCHILD TO-220
In Stock: 1700 pcs
-transistori, vankka NPN-puolijohdelaite, joka on sijoitettu TO-220-pakettiin, on erinomainen äänen taajuuden monistuksessa ja korkean kuormituksen hallinnassa.Keräilijän virtakapasiteetti on enintään 3a ja kyky käsitellä jännitteitä jopa 60 V: iin, se on suosittu valinta DC-DC-muuntimissa, äänipiirissä ja matalan jännitteen kytkentäsovelluksissa.Sen monipuolisuus, tehokkuus ja luotettavuus tehokas sinulle, joka etsii luotettavaa suorituskykyä erilaisissa elektronisissa malleissa.
Luettelo
Se
D880
D880
CJ
FAIRCHILD TO-220
In Stock: 1700 pcs
Transistori, arvostettu NPN-puolijohdelaite, joka on koteloitu TO-220-pakkaukseen, tehokas äänitaajuuden monistuksessa.Sen sopeutumiskyky loistaa lukemattomassa yleiskäyttöisissä sovelluksissa.Koska se kykenee käsittelemään jopa 3A kuormavirtaa, se osoittautuu hyödylliseksi käyttömoottoreille, suuritehoisille transistoreille ja releille, joilla on huomattava tehokkuus.Tällainen pätevyys vetoaa sinuun elektroniikassa arvostaen luotettavaa korkean kuormituksen hallintaa.
• Äänitaajuuden monistus
• Ajo-moottorit, suuritehoiset transistorit ja releet
• Sopii sekä ammatti- että harrastajaprojekteihin
Transistorin tehokas kuormanhallinta resonoi kestävien elektronisten järjestelmien kehittämiseen kiinnostuneiden käytännön tarpeita ja pyrkimyksiä.
D880
D880
CJ
FAIRCHILD TO-220
In Stock: 1700 pcs
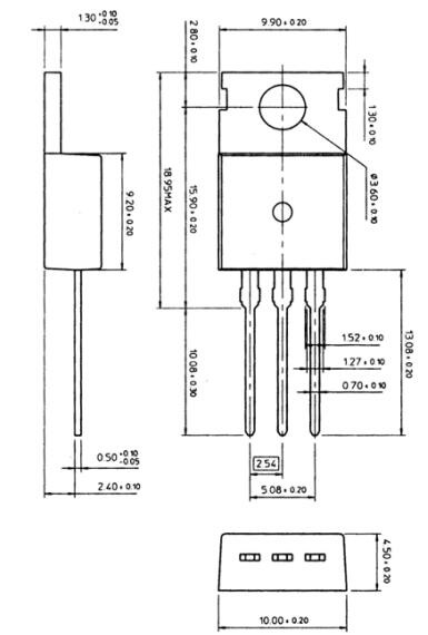
-transistorilla, joka on tunnistettu arvostaan elektronisissa piireissä, on kolme perustavanlaatuista nastaa: emitteri (E), pohja (b) ja keräilijä (c).Ainutlaatuisten toimintojen ja näiden tapien dynaamisen vuorovaikutuksen tarttuminen parantaa transistorin monipuolisuutta monissa sovelluksissa.

Pinanumero
|
Nimeä
|
Kuvaus
|
1
|
Pohja
|
Hallitsee transistorin vääristymistä.Käytetään käynnistämään
tai transistorilta.
|
2
|
Keräilijä
|
Virta virtaa keräilijän läpi, yleensä kytkettynä
ladata.
|
3
|
Säteilijä
|
Virta viemäri emitterin kautta, yleensä kytkettynä
maa.
|
Fyysiset ja sähköiset eritelmät
TO-220-pakkaukseen suljettu
D880
D880
CJ
FAIRCHILD TO-220
In Stock: 1700 pcs
-transistori on esimerkki joustavuudesta sen taitavalla lämmön hajoamisella ja mekaanisella stabiilisuudellaan.NPN-tyyppisenä transistorina se tukee 3A: n maksimaalisen kollektorin virtaa, mikä tekee siitä arvokkaan omaisuuden tehon monistus- ja vaihtamisrooleissa.Se voi kestää keräilijän emitterin jännitteen, joka saavuttaa jopa 60 V: n, helpottaen monipuolisia piirikonfiguraatioita.
Suorituskyky ja kapasiteetti
Transistorin kyky hajottaa 30 W: tä voimaa korostaa sen taitavuutta minimoimalla tehonmenetykset, mikä lisää suorituskykytasoja elektronisissa piireissä.Siirtymätaajuudella 3 MHz, se on kotona äänenvahvistinasetuksissa ja RF-prosessointitehtävissä, jolloin se voi toimia korkeataajuisissa sovelluksissa.Sen käyttölämpötila on välillä -55 -+150 ° C puhuu sen kestävyydestä ja sopeutumiskyvystä, mikä osoittaa sen luotettavuuden sekä kaupallisissa että teollisuusympäristöissä.
Virrat ja voitot
DC -virranvahvistus, joka vaihtelee välillä 60 - 300, korostaa D880: n signaalin monistuspotentiaalia merkitsemällä sen merkitystä piireissä, jotka vaativat huomattavaa vahvistusta minimaalisista tuloista.Tämä tekijä vaikuttaa erityisesti sen tehokkuuteen ympäristöissä, joissa tarkka signaalin parantaminen on välttämätöntä, kuten äänenkäsittelylaitteissa.Käytännöllisessä käytössä nämä korkeammat vahvistuksen arvot vastaavat usein parannettua suorituskykyä matalalla signaalissa yhteyksissä, säilyttäen signaalin eheyden.
Asiantuntijat suosivat usein D880: ta sen harmonisesta sekoituksesta tehonhallinnasta ja signaalin monistumisesta.Elämänsä ja suorituskyvyn vakauden pidentäminen, optimaalinen lämmönhallinta mahdollisesti käyttämällä sopivia jäähdytyselementtejä, toteutetaan usein.Sen luotettavuus monipuolisissa olosuhteissa on osoitus sen laajalle levinneestä integroinnista sekä kokeellisiin että vakiintuneisiin elektronisiin malliin.Kun sitä käytetään harkiten, se tuottaa huomattavia etuja tehokkuudessa ja tehokkuudessa, sovittaen vaivattomasti erilaisiin sähkökehyksiin uhraamatta toiminnallisuutta.
Tyyppi
|
Parametri
|
Paketti / kotelo
|
TO-220
|
Pakkaus
|
Putkipakattu
|
Jännite - Keräilijän emitterin erittely (Max)
|
60 V
|
Nykyinen - keräilijä (IC) (Max)
|
3a
|
Power - Max
|
30W
|
ROHS -tila
|
ROHS
|
D880
D880
CJ
FAIRCHILD TO-220
In Stock: 1700 pcs
-transistori on joustava ja tehokas komponentti, jota käytetään yleisesti monissa elektronisissa projekteissa.Se toimii erityisen hyvin tehtävissä, joihin sisältyy tehokas virranhallinta, tarkka ohjaus ja luotettava toiminta.Järjestämällä sen sovellukset ja käytöt yksityiskohtaisiin ja jäsenneltyihin osioihin, voit ymmärtää paremmin sen ominaisuuksia ja miten se koskee erilaisia tarkoituksia.
Power Conversion -sovellukset
D880-transistori on arvostettu voimanmuuntamisjärjestelmissä, etenkin DC-DC-muuntimissa.Nämä muuntimet muuttavat tehokkaasti tasavirta yhden jännitteen tasosta toiseen, mikä on elintärkeää laitteissa, kuten akkukäyttöisissä elektroniikassa, jossa vaaditaan energiatehokkuutta.Transistorin vankka suorituskyky varmistaa sujuvan toiminnan näissä järjestelmissä, mikä mahdollistaa laitteet optimoida virrankulutuksen ja pidentää akun käyttöikää.
Äänenvahvistusominaisuudet
Äänijärjestelmistä löydät monistuspiirissä käytetyn D880: n.Se käsittelee korkean lähtövirtoja parantaen sekä äänenlaatua että äänenvoimakkuutta, mikä tekee siitä loistavan valinnan kaikesta henkilökohtaisista äänilaitteista ammatillisiin äänenasetuksiin.Sen kyky tarjota selkeitä, monistettuja signaaleja pienellä vääristymisellä tekee siitä suositun ääniharrastajien ja ammattilaisten keskuudessa.Äänitehtävien lisäksi voit käyttää sitä myös yleiskäyttöisissä vahvistuspiireissä, joissa tarvitaan johdonmukaista ja luotettavaa suorituskykyä vahvojen elektronisten vahvistimien virran saamiseksi.
Sovellusten vaihtaminen elektroniikassa
D880 on yhtä tehokas vaihtamistoiminnassa, etenkin sovelluksissa, jotka vaativat matalan jännitteen ja keskivirran käsittelyä.Sen kyky hallita maltillista virran tasoa tekee siitä luotettavan valinnan tehtävien vaihtamiseen varmistaen erilaisten elektronisten laitteiden saumattoman toiminnan.D880 varmistaa tarkan ja vakaan suorituskyvyn riippumatta siitä, onko sitä käytetty mikrokontrollereiden kiertämiseen tai moottorien, suuritehoisten releiden ja valaistusjärjestelmien hallintaan.Tämä monipuolisuus parantaa laitteiden luotettavuutta ja pitkäikäisyyttä, mikä tekee siitä avainkomponentin automatisoiduissa järjestelmissä ja älykkäissä laitteissa.
D880-transistori on monitoiminen komponentti, joka mukautuu saumattomasti moniin teknologisiin tarpeisiin.Sen kaksinkertainen kyky toimia voimakkaana vahvistimena ja luotettava kytkin antaa sille mahdollisuuden puuttua monipuolisiin vaatimuksiin eri aloilla.D880 yhdistää kestävyyden, tehokkuuden ja joustavuuden tullakseen ensisijaiseksi osaksi sekä yksinkertaisia että monimutkaisia elektronisia asetuksia.
• NTE152
• SC1826
Olla
BD241
BD241
FSC
BD241 FSC TO-220
In Stock: 2230 pcs
Olla
2SB834
2SB834
CJ
TO-220 97
In Stock: 19000 pcs
Olla
2SC1060
2SC1060
HITACHI
771
In Stock: 2346 pcs
Olla
2SC1061
2SC1061
MOSFEC
MOSFEC TO-220
In Stock: 1457 pcs
• 2SC1173
• 2SC1226
• 2SC1226a
• 2SC1418
• 2SC1419
Olla
2SC2236
2SC2236
HGF
2SC2236 TOSHIBA TO-92
In Stock: 6715 pcs
Olla
2SC2500
2SC2500
TOSHIBA
2SC2500 HGF TO-92L
In Stock: 5220 pcs
Olla
2SC2075
2SC2075
TOSHIBA
2SC2075 三洋 TO220
In Stock: 11518 pcs
Olla
2SD1134
2SD1134
HIT
2SD1134 HIT TO220
In Stock: 8700 pcs
• 2SD1274a
• 2SC1985
Olla
2SC1826
2SC1826
FAIRCHILD
2SC1826 SAK TO-220
In Stock: 2200 pcs
• BDT31
• BDT31A
Olla
KSA1220
KSA1220
FAIRCHILD
786
In Stock: 1000200 pcs
Olla
2N5551
2N5551
Diotec Semiconductor
BJT TO-92 160V 600MA
In Stock: 136000 pcs
Olla
S8550
S8550
MDD
TRANS PNP 25V 0.5A SOT23
In Stock: 1000000 pcs
Olla
BD136
BD136
onsemi
TRANS PNP 45V 1.5A TO126
In Stock: 50000 pcs
Olla Kärki
D880
D880
CJ
FAIRCHILD TO-220
In Stock: 1700 pcs
-transistorin käyttäminen varmistaa tehokkaasti vakaan ja luotettavan piirin suorituskyvyn pidentäen sen käyttöikää.Tämän saavuttamiseksi on tärkeää käyttää transistoria, joka on alle 20% sen enimmäisarvioista, pitäen turvamarginaalia, joka estää ylikuormituksen.
D880: n enimmäiskeräinvirta on 3a, joten suositellaan välttämään 2,4a: n ylittäviä kuormia komponentin jännityksen vähentämiseksi.Kollektorin ja emitterin välillä on enimmäisjännite 60 V, on parasta levittää enintään 48 V kuormaan turvallisen toiminnan varmistamiseksi.Näiden rajojen ylittäminen voi johtaa ylikuumenemiseen tai vaurioihin.

Transistorin suojelemiseksi ja vakaan toiminnallisuuden ylläpitämiseksi sopivan jäähdytyselementin sovittaminen on välttämätöntä.Tämä estää liiallisen lämmön kertymisen käytön aikana.Pidä lisäksi käyttölämpötila aina -55 ° C - +150 ° C.Oikean lämmönhallinnan varmistaminen on kriittistä sekä tehokkuuden että kestävyyden kannalta sähköisissä projekteissasi.
Näitä varotoimenpiteitä noudattamalla D880 -transistori voi toimia tehokkaasti ja luotettavasti, mikä tekee siitä erinomaisen valinnan sovellusten erilaisten piirien virran ja hallitsemiseksi.

Feihong Machinery & Electrical Co., Ltd. on vaikutusvaltainen rooli Kiinan lämmittimen koneiden tuotannossa.Ne tarjoavat laitteita, joita käytetään laajasti erityyppisten lämmittimien käsityössä, korostaen niiden merkitystä teollisuudessa.Yrityksen menestys juurtuu syvästi heidän horjumattomaan omistautumiseensa tarkkuudelle ja luotettavuudelle, piirteet, jotka ovat erittäin haluttuja lämmittimen koneiden valmistuksessa.Heidän jatkuva huippuosaamisensa harjoittaminen heijastaa heidän joustavuuttaan ja sopeutumiskykyä.
1. Mitkä ovat D880 -transistorin mahdolliset sovellukset nykyaikaisessa elektroniikassa?
Ensisijaisesti
D880
D880
CJ
FAIRCHILD TO-220
In Stock: 1700 pcs
-transistoria käytetään matalataajuisissa tehonvahvistinpiirissä.Erityisesti se on olennainen osa luokan B push-pull-vahvistimen malleissa, joissa NPN: n kytkentä täydentäviin PNP-transistoreihin osoittautuu hyödylliseksi.Reaalimaailman sovelluksissa tällaiset kokoonpanot vähentävät äänenvahvistimien vääristymiä tehokkaasti, mikä lisää huomattavaa arvoa kulutuselektroniikkaan, kuten kotiteatterijärjestelmiin ja soittimiin.Asiantuntijat ovat vuosien varrella havainneet, että virrankäsittelyn ja vakauden välisen vuorovaikutuksen optimointi voi avata transistorin potentiaalin.
2. Onko D882: n D880: n korvata piirisuunnitelmissa?
Kun harkitset D882: n korvaamista D880: lle, varmista, että piirijännitteet eivät ylitä 30 V ja virrat pysyvät alle 3A.Oikea kohdistus vaihdon aikana on välttämätöntä, koska uuden transistorin on kohdistettu olemassa olevan PIN -asennuksen kanssa.Korosta kattavan piiritestauksen arvoa substituation jälkeen.Varmista, että kaikki parametrit ovat sopusoinnussa suunnittelumääritysten kanssa, takaa piirin eheyden ja toiminnallisuuden säilyttämisen.
3. Mikä on oikea menetelmä D880 -transistorin kytkemiseksi piiriin?
D880: ssa on rakenne, jossa on kaksi läheisesti sijoitettua PN -liitosta, jotka jakavat puolijohteen pohjaan, emitteriin ja keräilijäksi.Nuoli merkitsee emitteriä keskellä olevaan pohjaan ja kollektorin vastapäätä, kaikki vastaavat NPN- ja PNP -järjestelyjä.Johdotustekniikan parantaminen on ratkaisevan tärkeää tehokkaan piirin suorituskyvyn kannalta;Jopa hienovaraiset vivahteet PIN -ohjeissa voivat vaikuttaa piirin yleiseen toimintaan.Tämä ymmärrys on johdonmukaisesti jähmettymässä sähköisissä työpajoissa ja koulutusohjelmissa, joissa painotus on sähköisen suunnittelun ja kokoonpanon tarkkuus.
Jaa tämä viesti