Chemi-Con EMZA160ADA101MF61G on korkealaatuinen alumiini-elektrolyyttilatausvastus, joka on suunniteltu erityisesti autoteollisuuden sovelluksiin. Se tarjoaa vahvat sähköiset ominaisuudet ja luotettavan suorituskyvyn vaativissa ympäristöissä. Tämä pintaliitäntöihin (SMD) soveltuva kondensaattori tuottaa 100 mikrofaradin kapasitanssin ±20 % toleranssilla, nimellisjännite 16 volttia, ja se on suunniteltu kestämään äärimmäisiä lämpötiloja välillä -55 °C:sta jopa 105 °C:een.
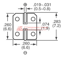
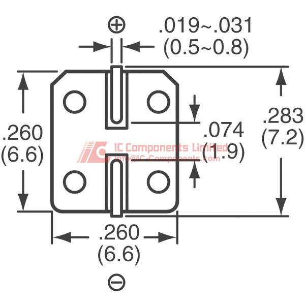
Valmistettu edistyksellisellä SMD-tekniikalla, kondensaattori on kompaktin radiaalimuotoisen kotelon, 0,248 tuuman halkaisijan ja 0,228 tuuman korkeuden, ansiosta ihanteellinen pienikokoisiin elektroniikkajärjestelmiin. Sen erinomainen lämpötilastabiilius takaa pitkän käyttöiän, ja sen luotettu 2000 tunnin toimintakoe 105 °C lämpötilassa täyttää tiukat autoteollisuuden standardit, kuten AEC-Q200 -sertifioinnin.
Keskeisiä suorituskykyominaisuuksia ovat vaikuttava pulssivirran kestävyys, 96 mA matalataajuisella (120 Hz) ja 240 mA korkeataajuisella (100 kHz) taajuudella, mikä osoittaa monipuolisen sähköisen suorituskyvyn. Komponentin matala impedanssi, 360 milliohmia, takaa tehokkaan signaalinsiirron ja energiahävion minimoinnin, mikä on kriittistä autoteknisten järjestelmien kannalta.
Lisäksi kondensaattori täyttää täysin RoHS-vaatimukset ja on lyijytön, mikä heijastaa nykyaikaisia ympäristövastuun standardeja. Sen polarisoitu rakenne ja pintaliitäntäsovellus mahdollistavat helpon integroinnin monimutkaisiin elektroniikkakomponenttikasasiin, vakiona olevalla alustakoolla 0,260" x 0,260".
Vaikka tarkkoja vastaavamalleja ei ole mainittu, Chemi-Conin Alchip-MZA-sarja tarjoaa todennäköisesti vastaavia vaihtoehtoja. Tämä kondensaattori sopii erinomaisesti aut electronics-, tehonhallintajärjestelmiin ja sovelluksiin, joissa tarvitaan vakaa, korkealaatuinen sähköinen energian varastointi kompaktissa muodossa.
EMZA160ADA101MF61G Avain tekniset ominaisuudet
EMZA160ADA101MF61G on alumiinielektrolyyttikondensaattori, jonka kapasiteetti on 100F ja jännitearvo 16V. Se on suunniteltu radiaaliin, kotelomaisiin SMD-pakkauksiin, ja se sopii korkeaan ripple-virtaan, jopa 96mA @ 120Hz ja 240mA @ 100kHz. Kondensaattori täyttää AEC-Q200-autoteollisuusstandardit ja kestää 2000 tuntia 105°C:n lämpötilassa, varmistaen pitkäikäisyyden ja luotettavuuden vaativissakin sovelluksissa.
EMZA160ADA101MF61G Pakkauksen koko
Pakkauksen tyyppi on teippi ja rulla (TR). Käytetty materiaali on alumiinielektrolyytti. Kokonaishoito on 0,248 tuumaa halkaisijaltaan (6,30 mm). Pakkauksen tai kotelon muoto on radiaali, tölkki - SMD, ja kondensaattori kestää lämpötilakestävyyttä 2000 tuntia @ 105°C.
EMZA160ADA101MF61G Sovellutus
Soveltuu erityisesti autoteollisuuden sovelluksiin ja vaativiin elektroniikkateknisiin käyttökohteisiin.
EMZA160ADA101MF61G Ominaisuudet
EMZA160ADA101MF61G on alumiinielektrolyyttikondensaattori, jossa on radiaalinen, tölkki-mäinen SMD-pakkaus. Se tarjoaa ±20 % toleranssin ja toimii laajassa lämpötila-alueessa -55°C:sta 105°C:iin. Kondensaattorin korkeat ripple-virran kapasiteetit takaavat erinomaisen sähköisen suorituskyvyn vaativissa sovelluksissa, ja se täyttää AEC-Q200-standardit, varmistaen luotettavuuden autoteollisuudessa.
EMZA160ADA101MF61G laadun ja turvallisuuden ominaisuudet
RoHS-yhteensopiva ja lyijytön. Sertifioitu AEC-Q200-standardien mukaisesti, mikä takaa laadun ja turvallisuuden vaativissakin teollisuuskäytössä.
EMZA160ADA101MF61G Yhteensopivuus
Asennustapa on pintaliitos (Surface Mount). Äärimmäisen lyhyeen pinnaan soveltuva pintaliitos-alue on 0,260
EMZA160ADA101MF61G Tiedotteen PDF
Tarjoamme tarkan ja kattavan teknisen datalehden EMZA160ADA101MF61G-kondensaattorista verkkosivuiltamme. Suosittelemme asiakkaiden lataavan datalehden suoraan tuotesivulta varmistaakseen, että heillä on ajan tasalla olevat tuotetiedot ja tekniset spesifikaatiot.
EMZA160ADA101MF61G Laadun jakelija
IC-Components toimii ylpeänä Chemi-Con tuotteiden premium-jakelijänä, tarjoten ensiluokkaista asiakaspalvelua ja luotettavaa tuotetilattavuutta. EMZA160ADA101MF61G ja kaikki tarjouksemme tulevat täyden tuen ja laadun kanssa, johon IC-Components on tottunut. Varmista, että hankit parhailta mahdollisilta lähteiltä – pyydä tarjous verkkosivuiltamme tänään ja hyödynnä asiantuntemuksemme ja laatutietoisuutemme.






